精選進口品牌配件
好品質,從每一個零配件開始
旋片、油霧分離器、泵體、濾油器、軸承等重要零配件均源自進口大品牌,設備品質從源頭開始把控,為您帶來持續穩定可靠的真空設備。
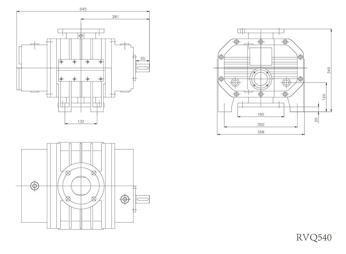
額定流量:540m³/h
極限壓力:15000Pa
配用功率:3-18.5Kw
轉速:2900rpm
泵頭重量:300kg
市場參考價:¥面議元
產品特點
氣體循環冷卻羅茨真空泵主要由轉子,泵體冷卻器等組成,轉子在泵膠內每旋轉120度并完成一次吸、排氣的過程。冷卻氣體從泵體的兩側進入泵的吸氣腔,使泵不會因壓縮氣體而出現過熱,但對泵的抽氣性能沒有任何形晌。抽氣效率、噪聲、振動等性能比傳統二葉羅茨泵顯著提高。氣冷泵的轉子采用漸開線的線型結構.轉動時無接觸且保持恒定間隙。由于該特殊的專利結構,氣冷泵可以在高壓差和高壓縮比下長期可靠運行,既可單獨便用,也可多臺串聯使用,或與其他真空泵組成機組,達到更高真空度來滿足各類工藝要求。
特點:
·單獨使用時直排大氣的極限真空度可以達到150mbar。
·多級串聯或與其它前級泵串聯可以達中真空范圈。
·特殊專利結構確保泵在高壓差和離壓縮比運行時不會過熱和過載。
·三葉漸開線型線結溝和高精度機械加工確保產品運轉平穩安靜。
·先進的平衡式機械密封使泵的密封性能比傳統骨架密封更可靠。
·泵膠為無油結溝.適用于抽除一般空氣及各種特殊氣體。
廣泛應用于:真空鍍膜、真空焊接爐、真空熱處理爐、大型空間模擬試驗、微電子及集成電路、燈管及燈泡制造、真空包裝、集中抽氣系統、各類化工處理、真空脫汽、真空脫水、真空冷凍干燥、真空蒸餾。
| RVQ 系列羅茨真空泵 Roots Vacuum Pump | |||||||||
| 型號Model | 50HZ | RVQ0540 | RVQ1100 | RVQ2200 | RVQ4300 | RVQ9000 | RVQ14000 | RVQ18000 | RVQ36000 |
| 額定流量 Rated airflow | m3/h | 540 | 1100 | 2200 | 4300 | 9000 | 14000 | 18000 | 36000 |
| L/S | 150 | 300 | 600 | 1200 | 2500 | 3750 | 5000 | 10000 | |
| 極限壓力 Ultimate pressure | Pa | 15000 | |||||||
| 配用功率Power | kw | 3-18.5 | 5.5-37 | 7.5-75 | 11-132 | 22-280 | 30-400 | 37-500 | 55-1000 |
| 轉速Nominal speed | rpm | 2900 | 1460 | 1470 | 980 | 1470 | 980 | 1470 | |
| 進氣口Suction | mm | 125 | 250 | 300 | 350 | 350 | 400 | 500 | |
| 排氣口Discharge | mm | 125 | 250 | 300 | 350 | 350 | 400 | 500 | |
| 最大耗水Maxwaterconsumption | L/h | 3500 | 6000 | 9000 | 15000 | 28000 | 35000 | 45000 | 6000 |
| 泵頭重量Weight | kg | 300 | 300 | 600 | 1200 | 2300 | 2300 | 3200 | 5000 |
| 注:泵的電機功率及冷卻器面積是根據工作壓差決定的,不同的壓差可配置不同的電機及冷卻器。 Note: the motor power and the cooler area of the pump is designed in accordance with the operating pressure differential, where the various pressure differential can be configured with different motor and cooler. | |||||||||
抽速曲線圖

安裝尺寸圖

RVQ0540羅茨真空泵 好凱德Hokaido真空泵
廣泛應用于:真空鍍膜、真空焊接爐、真空熱處理爐、大型空間模擬試驗、微電子及集成電路、燈管及燈泡制造、真空包裝、集中抽氣系統、各類化工處理、真空脫汽、真空脫水、真空冷凍干燥、真空蒸餾等領域。
感謝以下企業多年來對好凱德的厚愛!
德式精工 匠心智創
德式精工 匠心智創
了解最新合作支持政策